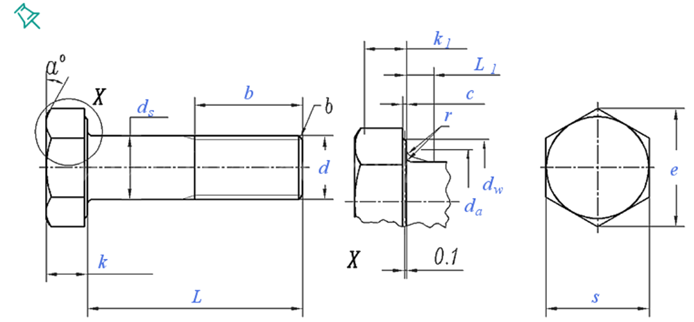
Șuruburile și șuruburile externe hexagonice sunt elemente de fixare fundamentale recunoscute pentru proiectarea capului cu șase fețe, proiectate pentru a oferi transmisie ridicată a cuplului și stabilitate mecanică în aplicațiile industriale. Fabricate din oțel carbon (gradele 8.8, 10.9 sau 12,9) sau aliaje personalizate, aceste elemente de fixare variază de la fire M1.6 în miniatură până la diametre M64 de serviciu greoi, cu lungimi care se întind pe 12 mm până la 500 mm pentru a satisface cerințe de încărcare diverse. Capul Hex extern permite implicarea cheii sau prizei, asigurând strângerea sigură a spațiilor limitate - critice pentru asamblarea cadrelor de mașini, îmbinări structurale din oțel sau componente auto în cazul în care rezistența la vibrații este esențială.
Tratamente de suprafață, cum ar fi rugina de combatere a galvanizării la cald în medii exterioare (de exemplu, poduri, turnuri de transmisie), în timp ce acoperirile cu oxid negru reduc reflecția ușoară în optică de precizie sau hardware militar. Finisajele de specialitate, cum ar fi PTFE sau vopseaua electroforetică, îmbunătățesc rezistența chimică pentru utilizare în instalațiile de procesare chimică sau echipamentele marine. Codificarea personalizată a culorilor (albastru, roșu) ajută la gestionarea stocurilor sau la protocoalele de siguranță, distincind ratingurile de încărcare sau gradele de materiale la fața locului. Cu toleranțe standardizate de fir și puncte de tracțiune, aceste șuruburi îndeplinesc specificațiile ISO și ASTM, echilibrarea eficienței costurilor cu performanțe pentru industrii, de la energie regenerabilă la producție grea. Adaptabilitatea lor în materiale, acoperire și dimensionare le face o soluție universală pentru ingineri care prioritizează durabilitatea, ușurința de instalare și respectarea standardelor mecanice riguroase.


























